Remmenset, remschijf ATE, Remschijftype: Geventileerd: , Inbouwplaats: Vooras, u.a. für Toyota
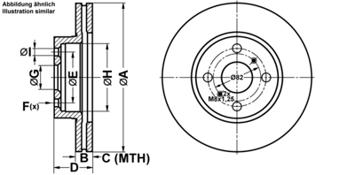
ATE Remmenset, remschijf Binnendiameter [mm]:131 mm Controleteken:E1 90R-02C0115/0167 Steek wielbouten (mm):100 mm Naaf boring-Ø [mm]:14 mm Buitendiameter [mm]:255 mm Oppervlakte:Gecoat Inbouwplaats:Vooras Centreringdiameter [mm]:55 mm Aanvullende artikelen / Aanvullende info 2:Met remvoeringen Aantal gaten:4 Minimale dikte (mm):18 mm MAPP code beschikbaar Hoogte (mm):46 mm Remschijfdikte (mm):20 mm Remschijftype:Geventileerd , u.a. für Toyota IQ (J1), 1.0 liter, 68 pk (50 kW), 1/2009 tot 12/2015Toyota IQ (J1), 1.33 liter, 98 pk (72 kW), 1/2009 tot 12/2015Toyota IQ (J1), 1.4 liter, 90 pk (66 kW), 1/2009 tot 12/2015
143,02
